স্টিয়ারিং ব্যবস্থা – এই পাঠটি “অটোমোবিল ইঞ্জিনিয়ারিং” বিষয়ের “সাসপেনশন ও স্টিয়ারিং ব্যবস্থা” অধ্যায়ের একটি পাঠ।
স্টিয়ারিং ব্যবস্থা

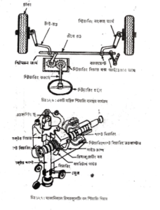
সম্মুখের চাকাদ্বয়কে গাড়ীর চালক যাতে সহজভাবে নিয়ন্ত্রণ করে গাড়ী চালাতে পারে তা নিশ্চিত করাই স্টিয়ারিং- ব্যবস্থার প্রধান লক্ষ্য। স্টিয়ারিং -ব্যবস্থার সাহায্যেই গাড়ীকে ডানে বামে এবং সোজাভাবে চালানো হয়। নিম্নলিখিত যন্ত্রাংশ স্টিয়ারিং -ব্যবস্থা গঠিত : (১) স্টিয়ারিং হুইল, (২) স্টিয়ারিং কলাম, (৩) স্টিারিং গিয়ার বক্স,
(৪) সেক্টর গিয়ার (টুথেড রোলার বা বলনাট বা রিসায়কুলেটিং বল), (৫) ওয়ার্ম গিয়ার, (৬) পিটম্যান আর্ম (৭) রিলে রড বা কানেকটিং রড বা ড্রাগলিং, (৮) টাইরড এন্ড (tierod-end), (৯) স্টিয়ারিং নাকেলা, (১০) সেক্টর গিয়ার সমন্বয় স্ক্রু, (১১) ওয়ার্ম গিয়ার সমন্বয় স্ক্রু, (১২) ওয়ার্ম গিয়ার শীম (shim), (১৩) আইডেলার আর্ম এবং (১৪) স্টিয়ার কাপলিং। স্টিয়ারিং- ব্যবস্থা দুই প্রকার। যথা : (ক) ম্যানুয়াল অপারেটেড স্টিয়ারিং এবং (খ) পাওয়ার স্টিয়ারিং।

স্টিয়ারিং হুইল চালকের হাতে থাকে। চালক ডানে বামে যেদিকে হুইল ঘুরাবে গাড়ী সেদিকেই যাবে। এই শক্তি কিভাবে চাকায় যায় তা যেসব যন্ত্রাংশ নিয়ে স্টিয়ারিং- ব্যবস্থা গঠিত (পূর্ব পৃষ্ঠায় উল্লেখিত) সেই নম্বর অনুযায়ী যায়। স্টিয়ারিং -ব্যবস্থার ত্রুটিসমূহ নিম্নে দেওয়া হলো।

(ক) স্টিয়ারিং হুইল ঢিলা হতে পারে। (খ) স্টিয়ারিং কাপলিং ঢিলা হতে পারে। (গ) স্টিয়ারিং (রাবার) কাপলিং নষ্ট অথবা ছিঁড়ে যেতে পারে। (ঘ) স্টিয়ারিং কাপলিং বোল্ট কেটে যেতে পারে। (ঙ) স্টিয়ারিং গিয়ার বাক্স এবং লিঙ্কেজ লুবরিকেশনের অভাব হতে পারে।’ (চ) স্টিয়ারিং জ্যাম হতে পারে। (ছ) টাই—রড-এন্ড নষ্ট হতে পারে। (জ) ওয়ার্ম সেক্টর গিয়ারের সমন্বয় কম বা বেশী হতে পারে। (ঝ) ওয়ার্ম ও সেক্টর গিয়ারের মধ্যে ব্যাকল্যাশ বেড়ে যেতে পারে। (ঞ) রিলে রড ঢিলা হতে পারে।

১ thought on “স্টিয়ারিং ব্যবস্থা”