আলো ব্যবস্থা, মোটরযানে বিভিন্ন প্রয়োজনে আলো ব্যবহৃত হয়। বিশেষ করে রাতে গাড়ী চালানোর জন্য হেডলাইট ব্যবহার করা হয়। হেডলাইটসমূহ গাড়ীর সম্মুখে থাকে। পূর্বে হেডলাইটসমূহে সীলবীম ব্যবহৃত হতো না।
আলো ব্যবস্থা | অটোমোবিল ইঞ্জিনিয়ারিং
পূর্বে ব্যবহৃত হেডলাইটসমূহ তিনটি অংশে বিভক্ত ছিল। যেমন : (ক) ফিলামেন্ট (বাল্ব), (২) সিলভার কোটেড ও পলিশ করা প্রতিফলক (reflector) এবং (গ) একটি গোলাকার গ্লাস। কিন্তু বর্তমানে প্রায় সকল মোটরযানে সীলবীম ব্যবহার করা হয়। এই সীলবীম ব্যবস্থার হেডলাইটসমূহে প্রতিফলক ফিলামেন্ট বাল্ব এবং গ্লাস একটি ইউনিটের মধ্যেই অবস্থান করে। সীলবীম বায়ুরোধী (air tight) বিধায় বাল্ব সহজে নষ্ট হয় না, প্রতিফলকে মরিচা ধরে না এবং গ্লাসের মধ্যে ধূলাবালি এবং পানি যেতে পারে না। কিন্তু সীলবীম ব্যবস্থার হেডলাইটের ত্রুটি হচ্ছে, যদি ফিলামেন্ট নষ্ট হয়ে যায় তাহলে সম্পূর্ণ সীলবীমটি পরিবর্তন করতে হয়।
হেডলাইটে দুই ধরনের ফিলামেন্ট থাকে। একটি উচ্চ আলো (high beam) এবং অপরটি নিম্ন আলোর (low beam) ফিলামেন্ট। যেসব রাস্তায় গাড়ী দ্রুতগতিতে চালাতে কোন অসুবিধা হয় না, বাধাবিঘ্ন কম, যানবাহন কম, (অর্থাৎ দীর্ঘপথে) সেসব রাস্তায় অধিক আলো বা উচ্চ আলো ব্যবহার করা হয়।
উচ্চ আলো দ্বারা হেডলাইটে খুবই প্রখর আলো বিকীর্ণ হয়। উচ্চ আলোতে গাড়ী চালনাকালে বিপরীতমুখী গাড়ীর চালকদের অসুবিধা লাঘব করার জন্য নিম্ন আলোয় চালনা করতে হয়। নিম্ন আলোয় চালনা করলে পরস্পর বিপরীতমুখী গাড়ী অতিক্রম করতে অসুবিধা হয় না।
শহর এলাকায় যেখানে যানবাহন প্রচুর সেখানে সবসময় নিম্ন আলো অর্থাৎ হেডলাইটের কম আলোতে গাড়ী চালনা করতে হয়। এই উভয় বীম বা দ্বারা চালিত সুইচের (ডিপার) সাহায্যে পরিচালনা করা হয়। ডিপার সুইচ সাধারণত বাম পা দ্বারা পরিচালিত হয়। উচ্চ আলোতে গাড়ী চালনা করার সময় অন্য গাড়ী ১০০০ ফুট সীমার মধ্যে আসা মাত্রই সুইচের মাধ্যমে কম আলোতে নামিয়ে আনতে হয়।
হেডলাইট সাধারণত দুই প্রকারে সমন্বয় করা থাকে। একটি উল্লম্ব সমন্বয় ( vertical adjustment), অপরটি আনুভূমিক সমন্বয় (horizontal adjustment)। উভয় সমন্বয়ই স্ক্রুর (screw) সাহায্যে করতে হয়। হেডলাইটের ফোকাস যখন উপরের দিকে বা নীচের দিকে অথবা দুই পার্শ্বে খুব বেশী ছড়িয়ে পড়ে তখন উল্লম্ব এবং আনুভূমিক স্ক্রু সমন্বয় করে হেডলাইটের ফোকাস ঠিক করতে হয়।
হেডলাইটের সমন্বয় ব্যবস্থা :
১। দেওয়ালে অথবা কালো পর্দার উপর ফোকাস ফেলে হেডলাইট সমন্বয় করতে হয়।
২। দেওয়াল হতে গাড়ীটি ২৫ ফুট দূরে রাখতে হয়। গাড়া মসৃণ মেঝের উপর রাখা বাঞ্ছনীয় ।
৩। মেঝে হতে হেডলাইটের কেন্দ্র পর্যন্ত যতটুকু দূরত্ব তা নির্ণয় করে ঠিক ততটুকু দূরত্বে (মেঝে হতে দেওয়াল বা কাল কাপড়ে) যোগ (+) চিহ্ন দিতে হবে। দুইটি হেডলাইটের জন্য দুইটি যোগ চিহ্ন অঙ্কন করতে হয়।
৪। এমতাবস্থায় গাড়ীটিকে ২৫ ফুট দূরত্বে রেখে এবং যোগ চিহ্নের সাথে একই সমান্তরালে রেখে হেডলাইট জ্বালিয়ে দেখতে হবে যে লাইটদ্বয়ের ফোকাস কোথায় এবং কিভাবে প্রতিফলিত হয়। সেই অনুসারে স্ক্রু-ড্রাইভার দ্বারা উল্লম্ব এবং আনুভূমিক স্ক্রু- দ্বয়কে সমন্বয় করে ফোকাসকে যোগ চিহ্ন বরাবর করতে হবে। হেডলাইট টেস্টারের সাহায্যেও হেডলাইট পরীক্ষা ও সমন্বয় করা যায়।

মোটরযানে হেডলাইট ছাড়াও বিভিন্ন কারণে অন্যান্য লাইট ব্যবহার করা হয়। যেমন : (ক) পার্কিং লাইট (Parking light), (খ) টেইল লাইট এবং স্টপ লাইট (tail lights and stop lights), (গ) ব্যাকআপ লাইট (backup light), (ঘ) লাইসেন্স প্লেট লাইট (licence plate lights), (ঙ) ডাইরেকশন সিগনাল লাইট (direction signal lights), (চ) কুয়াশা বা রোড লাইট (fog or road lights), (ছ) স্টপ লাইট (stop lights), (জ) প্যানেল ইন্সট্রুমেন্ট লাইট (panel instrument light) এবং (ঝ) ডোম লাইট (dome light)।

ব্যাব-লাইট, পার্কিং লাইট, ইন্ডিকেটর লাইট, ইন্সট্রুমেন্ট লাইট ইত্যাদিতে কেবলমাত্র একটি পজেটিভ লাইন ব্যাটারীর সাথে যুক্ত করা হয়। নেগেটিভ লাইনটি লাইট বা আলোর বিভিন্ন বিন্দু হতে এর অঙ্গের সঙ্গে সংযোগ করা হয়েছে। এখন আলোর বর্তনী পূর্ণ হয়েছে মনে করা যায়।
স্টপ লাইট নিয়ন্ত্রিত হয় স্টপ লাইট সুইচ হতে এবং কোন কোন স্টপ লাইট ব্রেক ব্যবস্থার সাথে যুক্ত থাকে। ফলে গাড়ী যখন থামানোর জন্য ব্রেক করা হয় তখন স্টপ লাইট জ্বলে উঠে অর্থাৎ তখন স্টপ লাইটের বর্তনী পূর্ণ করে। ডোম (dome) লাইট হস্তচালিত সুইচ বা গাড়ীর দরজার সাথে সংযুক্ত স্বয়ংক্রিয় সুইচ দ্বারা নিয়ন্ত্রিত হয়। অর্থাৎ গাড়ীর দরজা খোলামাত্র বর্তনী পূর্ণ হয়ে ডোম লাইট জ্বলে উঠে। অন্যান্য লাইট বা আলো তার নিজস্ব সুইচ দ্বারা নিয়ন্ত্রিত হয়। হেডলাইটসমূহ ডিপার সুইচ দ্বারা নিয়ন্ত্রিত হয়। এই সুইচ সাধারণত পা দ্বারা নিয়ন্ত্রণ করা হয়।

সিগনাল ( signal) লাইটসমূহ ব্যবহার করা হয় গাড়ী যাতে সহজে ডানে এবং বামে মোড় ঘুরানো যায়। এই লাইট সম্মুখে এবং পিছনে থাকে। সম্মুখের ডান ও বাম দিকে এবং পিছনের ডান ও বাম দিকে মোট চারটি সিগনাল লাইট থাকে। যখন গাড়ী ডানে মোড় নেওয়ার প্রয়োজন হয় তখন সিগনাল লাইটের সুইচটি ডান দিকে অন অবস্থায় রাখতে হয়।
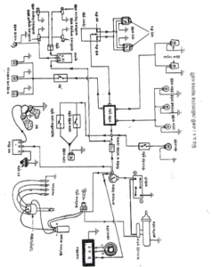
ফলে সঙ্কেত জ্ঞাপক আলোর (flash light) সহায়তায় তখন সামনের ডান এবং পিছনের নির্দেশক (indicator) আলোদ্বয় সঙ্কেত জ্ঞাপন করতে থাকে। এতে তখন সামনের ও পিছনের অন্যান্য চালক বুঝতে সক্ষম হবে যে ঐ গাড়ীটি (সিগনাল দেওয়া গাড়ীটি) ডান দিকে যাবে। সিগনাল লাইটের বর্তনী ৯.৩ (ক) ও (খ) চিত্রে দেখান হয়েছে।

আলো ব্যবস্থায় সাধারণত যেসব দোষত্রুটি দেখা যায় তা হচ্ছে মাঝে মাঝে বাল্ব নষ্ট হয়ে বা কেটে যায়, বাল্ব গলে যায় এবং তারের সংযোগ নষ্ট হয় বা ছিড়ে যায়। এ কারণে এটি নতুন করে করতে হয়। আলো ব্যবস্থায় ৬ মিলিমিটার কোরের তার ব্যবহার করা হয়। মোটর গাড়ীর তারের কোর মোটা অর্থাৎ বেশী তারের সমন্বয়ে গঠিত হওয়া ভাল। তাহলে – বিদ্যুৎ ড্রপ কম হয় এবং বিদ্যুৎ সহজে সরবরাহ হতে পারে।

২ thoughts on “আলো ব্যবস্থা | অটোমোবিল ইঞ্জিনিয়ারিং”